HAI DOMANDE?

Dipartimento commerciale - Polonia

Tel.: +48 52 326 71 52

Dipartimento commerciale - Export

Tel.: +48 52 326 71 53

yt.jpg

Elenco cataloghi

INFORMAZIONI IMPORTANTI

Tutti i marchi registrati presenti su questo sito e nel catalogo sono stati utilizzati soltanto ai fini di identificazione dei prodotti. Tutti i prodotti presentati possono non essere i ricambi originali ma i loro sostituti adatti. Le foto e i disegni hanno scopo puramente illustrativo. Si prenda in considerazionePRODUCTS INFO.

SICUREZZA

Security

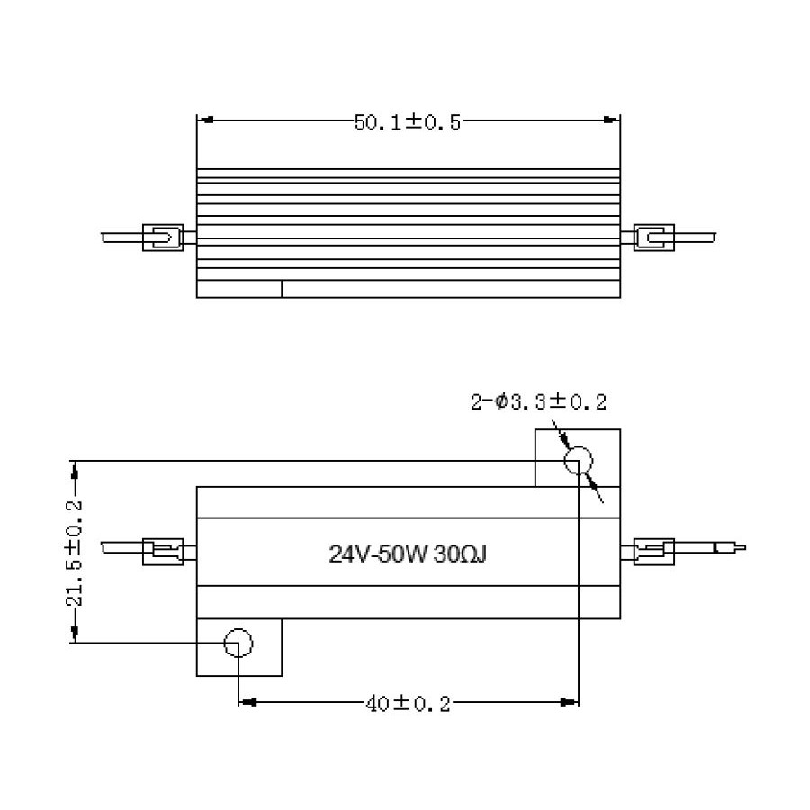
La resistenza di carico fittizia per lampada led 24V E1369

  • NUMBER: E1369
  • EAN: 2000010057566
  • Code CN: 85332900
  • Peso: 0.03 KG

E1369 has features such as: simulates the current consumption. E1369 characterized by a power of power consumption 18 W, max thermal power 50 W. E1369 is a certified product. According to standards such as ECE R10. Moreover, it is made of materials: Housing: AL. Fastening is screw. The voltage is 24 V. The product is packaged in the following configuration cart. dim: polly bag, lamp weight: 30 g, 1 pcs/bulk box.

Instruction

• It should be used exclusively in accordance with intended use. • Mount exclusively in specialized workshops.

• The connection between the resistor and vehicle’s installation should be isolated with heat-shrink tube, to avoid getting water and moisture to the copper wire, which can damage electronic components.

• Do not cut off tinned ends. • Resistor must be installed only in accordance with UNECE regulations

Specification

, 85332900
Material Housing: AL
Mounting screws
Function simulates the current consumption
Watt power consumption 18 W, max thermal power 50 W
Voltage 24 V
Certyficates ECE R10
Packing cart. dim: polly bag, lamp weight: 30 g, 1 pcs/bulk box
WIRE 2x100 mm