У ВАС ЕСТЬ ВОПРОСЫ?

Коммерческий отдел - Польша

Tel.: +48 52 326 71 52

Коммерческий отдел - Экспорт

Tel.: +48 52 326 71 53

yt.jpg

Список каталогов

ВАЖНАЯ ИНФОРМАЦИЯ

Все торговые марки, использованные на этом сайте, а также в каталоге, используются только в целях идентификации продуктов. Все включенные продукты могут не быть оригинальными запасными частями, но соответствующими запчастями. Фотографии и рисунки носят чисто иллюстративный характер. Пожалуйста, обратите внимание наPRODUCTS INFO.

БЕЗОПАСНОСТЬO

Security

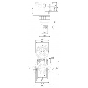
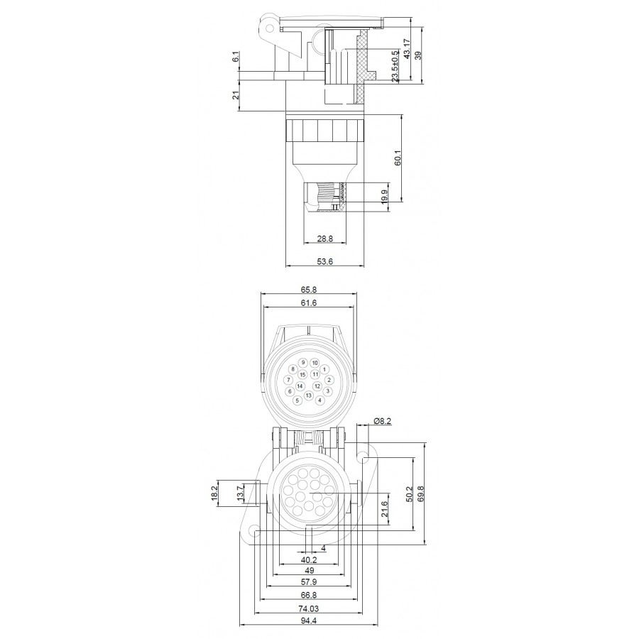
Розетка 15 PIN 24V винтового типа G-15-S

  • NUMBER: G-15-S
  • EAN: 2000010044177
  • Code CN: 85366990
  • Вес: 0.28 KG

Socket 15 PIN 24V screw

Specification

, 85366990